Envia-nos um email
Produtos
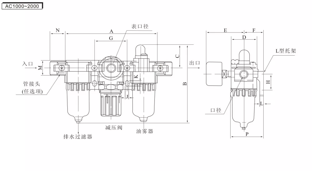
Unidade SMC Tipo AC FRL
  • Unidade SMC Tipo AC FRLUnidade SMC Tipo AC FRL
  • Unidade SMC Tipo AC FRLUnidade SMC Tipo AC FRL
  • Unidade SMC Tipo AC FRLUnidade SMC Tipo AC FRL

Unidade SMC Tipo AC FRL

Model:AC2000-02
A Unidade SMC Tipo AC FRL (Filtro-Regulador-Lubrificador) é um componente pneumático fundamental que integra filtragem de fonte de ar, redução e regulação de pressão e tratamento de lubrificação. Ele fornece ar comprimido limpo, estável e lubrificado para sistemas pneumáticos, prolongando assim a vida útil dos componentes pneumáticos e melhorando a estabilidade do sistema. A unidade FRL da série OLK AC atua como o "guardião" essencial dos sistemas pneumáticos modernos.
  • Brand:

    OLK
  • Type:

    SMC TYPE AC SERIES
  • Port size:

    PT1/8 ; PT1/4 ; PT3/8 ; PT1/2 ; PT3/4 ; PT1
  • Filter Material:

    Copper filter

Características e design da unidade SMC tipo AC FRL:

Ajuste de travamento automático: Possui um mecanismo de travamento automático de pressão. Assim que a pressão desejada for definida, basta pressionar o botão para baixo para travá-lo. Isso evita que a pressão definida mude devido a vibrações externas ou contato acidental.

Drenagem versátil: Disponível nas opções de drenagem manual e drenagem automática para atender a diferentes condições de operação. A tigela transparente permite fácil monitoramento dos níveis de água.

Medidor de alta precisão: Equipado com um manômetro de alta precisão para leituras claras e precisas e monitoramento em tempo real da pressão do sistema.

Aviso da unidade SMC tipo AC FRL:

Verifique a direção do fluxo: verifique a direção do fluxo de ar antes da instalação! Existem marcas de direção de fluxo (setas ou IN/OUT) na parte superior do corpo da válvula. Siga rigorosamente estes indicadores para instalação. A instalação ao contrário causará mau funcionamento ou vazamento.

Manutenção Regular: Verifique regularmente o nível da água na tigela e drene-a se estiver usando um tipo de drenagem manual. Reabasteça o óleo lubrificante quando estiver baixo (recomenda-se óleo de turbina ISO VG32).

Símbolo da unidade SMC tipo AC FRL:

Código de pedido

AC

2000

-

02

-

D

Código da série

Tamanho da casca

 

Tamanho da porta:

 

Método de drenagem

AC: Unidade SMC Tipo AC FRL

1000

 

M5:M5

 

Em branco: Dreno Manual

 

2000

 

02:1/4

 

A: Dreno de pressão diferencial

 

3000

 

03:3/8

 

D: Dreno automático

 

4000

 

04:1/2

 

 

 

5000

 

06:3/4

 

 

 

 

 

10:1

 

 

 

Pressão de prova

1,5 Mpa(15,3kgf/cm³)

Pressão máxima de trabalho

1,0Mpa(10,2kgf/cm³)

Ambiente e temperatura do fluido

5-60°C

Abertura do filtro

5μm

Óleo

ISOVG32

Materiais para copos

PC

Capuz de copo

AC1000-2000 (SEM) AC3000-5000 (COM)

Faixa de regulação de pressão

AC1000:0,05-0,7 Mpa (0,51-7,1 kgf/cm³)

AC2000-5000:0,05-0,085 Mpa(0,51-8,7 kgf/cm³)

Série de orifícios para manômetros


Série 2000

Série 3000

Série 4000

Série 5000

AW

1/8

1/4

AC

BR

1/4

-

BFC

-

Etapas de instalação para a unidade SMC Tipo AC FRL:

Primeiro, instale as juntas com fita PTFE enrolada e o manômetro

2. Siga a direção da seta: o lado esquerdo é a entrada de ar e o lado direito é a saída de ar

3. Conecte os tubos de ar às respectivas conexões em ambas as extremidades

4. Levante a porca de ajuste de pressão e gire-a para regular a pressão; girar no sentido horário aumenta o fluxo de ar, enquanto girar no sentido anti-horário diminui o fluxo de ar

5. Ajuste para a pressão de ar desejada e, em seguida, pressione a porca de ajuste para baixo para travar o ar

6. Se for necessário combustível, afrouxe o parafuso do lubrificador

7. Despeje óleo de manutenção pneumática ou óleo de turbina na entrada de óleo (certifique-se de que o óleo pneumático não exceda a linha de nível de óleo indicada no copo)

8. Após abastecer o óleo pneumático, aperte a porca com uma chave Allen

9. Ajuste o fornecimento de óleo girando: no sentido horário aumenta o fluxo de óleo, no sentido anti-horário o diminui


Tipo de drenagem

Princípio de funcionamento

Ambiente de aplicação

Vantagens

Desvantagens

Drenagem manual

A água acumulada no copo do filtro é descarregada girando manualmente ou pressionando a válvula de drenagem em intervalos regulares. Se a drenagem está completa depende inteiramente da operação manual.

Sistemas simples ou aplicações com requisitos de drenagem pouco frequentes.

Estrutura simples, baixa taxa de falhas, sem necessidade de manutenção adicional.

Depende de operação manual; fácil esquecer a drenagem. O acúmulo excessivo de água pode afetar o desempenho da filtração.

Dreno de Pressão Diferencial

Usa a diferença de pressão antes e depois do filtro. Quando a acumulação de condensado aumenta e o diferencial de pressão atinge um valor predefinido, o dreno abre automaticamente. Fecha novamente quando o diferencial de pressão volta ao normal. Opera somente quando há pressão e fluxo de ar.

Ambientes com fornecimento de ar estável e condições operacionais simples, onde a operação manual não é conveniente.

Não é necessária fonte de alimentação. Drenagem automática, mais confiável que a drenagem manual.

Requer pressão de ar estável. O desempenho da drenagem é limitado durante paradas prolongadas ou quando não há diferencial de pressão.

Dreno Automático

Usa um mecanismo flutuante ou temporizador. Quando o condensado atinge um determinado nível, o dreno abre automaticamente

Linhas e sistemas de produção automatizados com elevados requisitos de qualidade de ar comprimido.

Desempenho de drenagem mais oportuno e estável.

Custo relativamente mais alto.


Perguntas frequentes:

Por que é chamado de AC FRL?

AF (Filtro de Ar) + AR (Válvula Reguladora de Pressão) + AL (Lubrificador de Névoa de Óleo) = Unidade Tripla AC


Método de conexão recomendado

Compressor de ar - Processador de fonte de ar - Componente de controle - Atuador


O que devo fazer se a tampa protetora do copo de plástico quebrar com frequência?

Alguns clientes costumam descobrir que os copos plásticos racham não devido à pressão, mas por causa do material. Os copos de plástico não são resistentes a determinados ambientes, tornando os copos de metal uma alternativa melhor em condições específicas


Como prolongar a vida útil dos cilindros da válvula solenóide?

O uso de um filtro pode remover a umidade e as impurezas do ar, reduzindo efetivamente os danos por fricção nos pistões e nos anéis de vedação. Um lubrificador pode ser usado para adicionar óleo de turbina, que é então transportado pelo ar para lubrificar o pistão do cilindro e os anéis de vedação. O regulador de pressão pode ajustar a pressão do ar de admissão, melhorando ainda mais a eficiência do trabalho


De que material é feito o elemento filtrante do OLK?

OLK usa elementos filtrantes de cobre com precisão de filtração de 25μm, enquanto os elementos filtrantes de fibra comuns têm precisão de apenas 5μm. Elementos filtrantes de alta precisão podem remover efetivamente impurezas e umidade do gás, garantindo que o ar de saída esteja seco e livre de contaminantes


Hot Tags: Unidade SMC tipo AC FRL, China, fabricante, fornecedor, fábrica
Enviar consulta
Informações de contato
Bem-vindo ao nosso site! Para dúvidas sobre nossos produtos ou lista de preços, deixe seu e-mail para nós e entraremos em contato em até 24 horas.
E-mail
cici@olkptc.com
Móvel
+86-13736765213
Endereço
Estrada Zhengtai, Zona Industrial de Xinguang, Liushi, Yueqing, Wenzhou, Zhejiang, China.
X
Utilizamos cookies para lhe oferecer uma melhor experiência de navegação, analisar o tráfego do site e personalizar o conteúdo. Ao utilizar este site, você concorda com o uso de cookies. política de Privacidade
Rejeitar Aceitar