Envia-nos um email
Produtos
Válvula de alternância pneumática TAC
  • Válvula de alternância pneumática TACVálvula de alternância pneumática TAC

Válvula de alternância pneumática TAC

Como fabricante profissional, a OLK gostaria de fornecer a você a Válvula de alternância pneumática TAC. E a OLK oferecerá o melhor serviço pós-venda e entrega pontual.

A válvula pneumática de alternância TAC (também conhecida como válvula de comutação) é um componente de comutação de precisão especialmente projetado para sistemas pneumáticos e controle de fluidos. Com sua estrutura de controle exclusiva do tipo alternância, ele consegue comutação rápida e controle preciso dos caminhos do fluido.

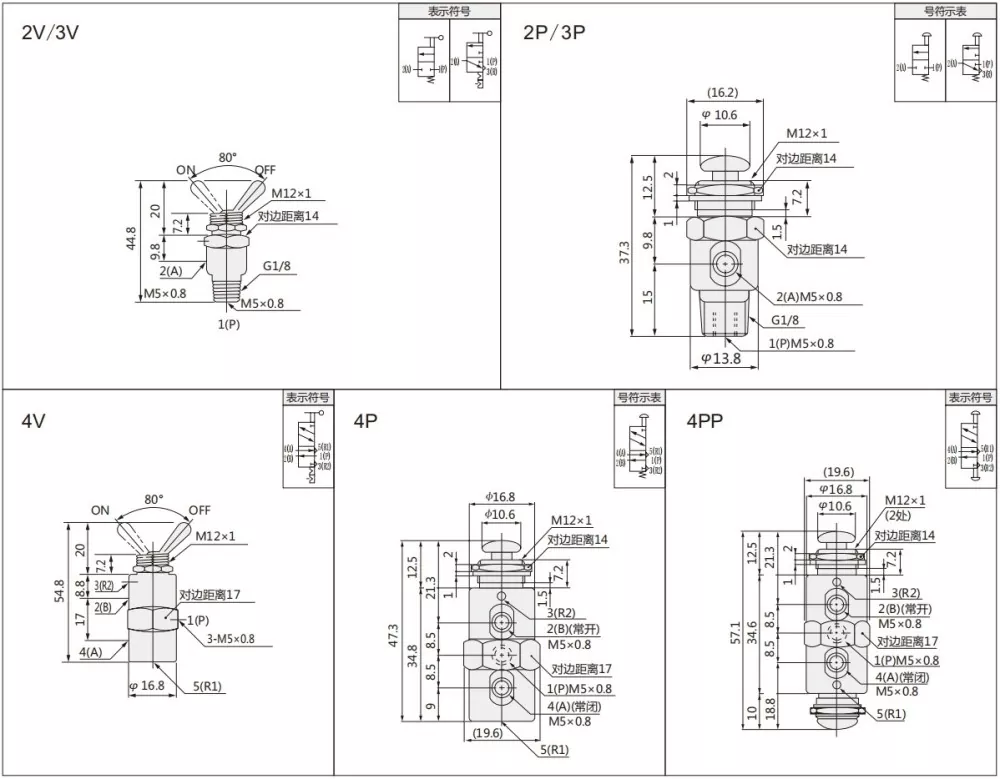
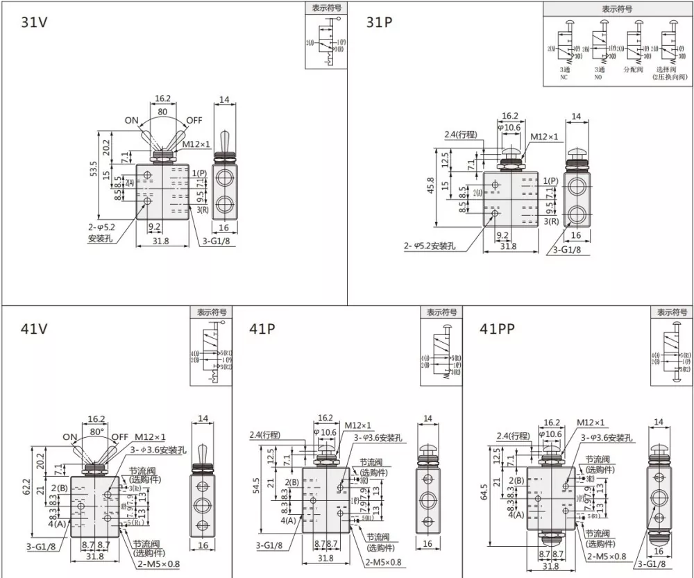
A válvula articulada da série TAC tem 2 posições 2 vias, 2 posições 3 vias e 2 posições 5 vias podem ser escolhidas. Vários tipos de alavanca e dois tipos de rosca: M5, G1/8.

Cenários de aplicação

Equipamentos de automação industrial, processamento mecânico, processamento de materiais de construção, energia e mineração, indústria de alimentos e bebidas, equipamentos médicos, etc.

Recursos do produto

É pequeno, requer pouco espaço de instalação e é intuitivo para operar manualmente, tornando-o adequado para cenários que exigem trocas frequentes.

TAC símbolo e contorno da válvula de alternância

Código de pedido

TAC

2

__

2

P

 

 

 

 

 

Válvula alternadora da série TAC

 

 

2:2 posição 2 vias (M5)

P: Tipo de botão push-pull

 

 

 

3:2 posição 3 vias (M5)

V: tipo alavanca manual

 

 

 

4:2 posição 5 vias (M5)

PP: botão duplo push-pull

 

 

 

31:2 posição 3 vias (G1/8)

 

 

 

 

41:2 posição 5 vias (G1/8)

 

 

Modelo

Tamanho da porta

 

Número
de Posição

Eficaz  
área transversal

Faixa de pressão

Fluido de Trabalho

Ambiente
Temperatura

 

TAC-2V

Entrada=Saída=M5   

2 posições 2 vias

1,9mm²

0,05 ~ 0,9PPA

Ar

0~60

TAC-2P

Entrada=Saída=M5   

2 posições 2 vias

1,9mm²

Tac-3V

Entrada=Saída=M5   

2 posições 3 vias

1,9mm²

Tac-3p

Entrada=Saída=M5   

2 posições 3 vias

1,9mm²

Tac-4V

Entrada=Saída=M5   

2 posições 5 vias

1,9mm²

TAC-4P

Entrada=Saída=M5   

2 posições 5 vias

1,9mm²

4PP

G1/8

 

2 posições 5 vias

4,5 mm²

TAC2-31V

Entrada=Saída=Exaustão=G1/8   

2 posições 3 vias

4,5 mm²

TAC2-31P

Entrada=Saída=Exaustão=G1/8   

2 posições 3 vias

4,5 mm²

TAC2-41V

Entrada=Saída=G1/8   Escape=M5

2 posições 5 vias

4,5 mm²

TAC2-41P

Entrada=Saída=G1/8   Escape=M5

2 posições 5 vias

4,5 mm²

TAC2-41PP

Entrada=Saída=G1/8   Escape=M5

2 posições 5 vias

4,5 mm²

Perguntas frequentes:

Qual é a diferença entre válvula articulada e válvula mecânica?

Pode-se distinguir a válvula de alternância e a válvula mecânica por tipo de controle: A válvula de alternância é do tipo de retenção de alavanca fixada, a válvula mecânica é do tipo botão push-pull ou tipo rolo

 

Qual é a diferença entre válvula articulada e outras válvulas?

Controle preciso: as válvulas de alternância alcançam uma regulação de fluxo fina através de um núcleo de válvula cônico, que é adequado para controle preciso em tubulações de pequeno diâmetro, enquanto as válvulas de esfera são mais adequadas para operações rápidas de abertura e fechamento.

Hot Tags: Válvula de alternância pneumática TAC, China, fabricante, fornecedor, fábrica
Enviar consulta
Informações de contato
Bem-vindo ao nosso site! Para dúvidas sobre nossos produtos ou lista de preços, deixe seu e-mail para nós e entraremos em contato em até 24 horas.
E-mail
cici@olkptc.com
Móvel
+86-13736765213
Endereço
Estrada Zhengtai, Zona Industrial de Xinguang, Liushi, Yueqing, Wenzhou, Zhejiang, China.
X
Utilizamos cookies para lhe oferecer uma melhor experiência de navegação, analisar o tráfego do site e personalizar o conteúdo. Ao utilizar este site, você concorda com o uso de cookies. política de Privacidade
Rejeitar Aceitar