Envia-nos um email
Produtos
Distribuidor da válvula solenóide 2V025
  • Distribuidor da válvula solenóide 2V025Distribuidor da válvula solenóide 2V025
  • Distribuidor da válvula solenóide 2V025Distribuidor da válvula solenóide 2V025

Distribuidor da válvula solenóide 2V025

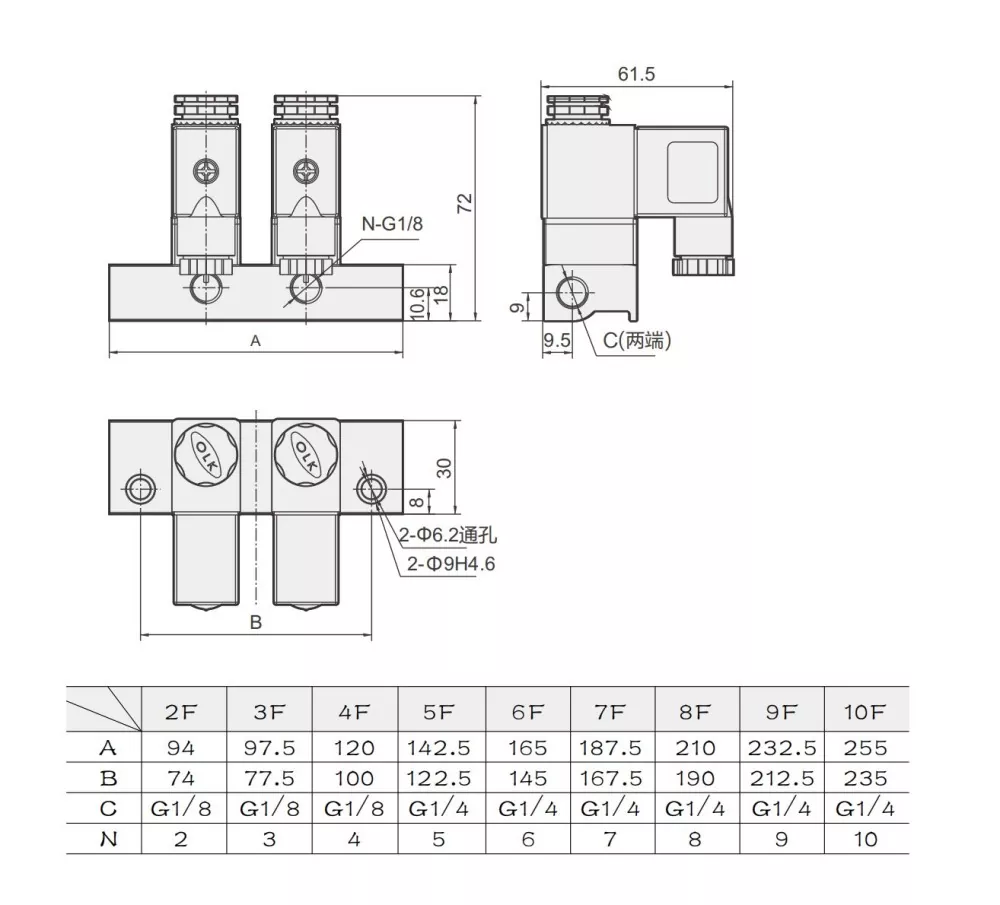
A válvula solenóide normalmente fechada de duas posições e duas vias de ação direta 2V025 pode ser conectada para formar uma base de válvula de acordo com os requisitos da aplicação, com expansão flexível de 2 a 12 posições. Este coletor de válvula solenóide 2V025 de múltiplas estações apresenta um design compacto e leve, mas não pode ser desmontado para uso individual. O corpo da válvula é feito de liga de alumínio de alta qualidade e utiliza material de vedação NBR.

Dependendo das direções de admissão e exaustão, o coletor da válvula solenóide 2V025 pode ser dividido em tipos de pressão positiva com uma entrada e múltiplas saídas, e tipos de pressão negativa com múltiplas entradas e uma saída. A pressão negativa pode ser aplicada em bombas de vácuo. Como a pressão positiva e negativa operam em direções opostas, consulte a equipe de vendas da OLK antes de fazer um pedido

Dados dos parâmetros gerais do coletor da válvula solenóide 2V025:

Ação

atuação direta

número de posições

2 posições 2 vias

Estado inicial

NÃO, NC

lubrificante

desnecessário

Faixa de pressão de trabalho MPa(psi)

0~0,8Mpa(0~114psi)

Resistência à pressão garantida

1,5 MPa (215 psi)

Tensão Padrão

AC220V, AC110V, AC24V, DC24V, DC12V

Usar faixa de tensão

CA:±15% CC:±10%

consumo de energia

CA: 6VADC: 6W

nível de proteção

IP65 (DIN40050)

grau de resistência ao calor

Classe B

Tipo de conexão

Tipo de soquete DIN, tipo de saída

Tempo de excitação

0,05 segundos ou menos

Corpo da válvula

Liga de alumínio

Perguntas frequentes:

Qual é a diferença entre 2V025-06 e 2V025-08?

A diferença entre 2V025-06 e 2V025-08 é o diâmetro da porta. 06 = G1/8 e 08 = G1/4


O 2V025 pode ser combinado para formar uma válvula múltipla?

Até 10 unidades de válvula solenóide 2V025 podem formar uma válvula múltipla.


Para quais cenários a válvula de 2 vias 2V025 é adequada?

A válvula 2V025 bidirecional é adequada para cenários de trabalho de sopro, mas não é adequada para cilindros pneumáticos porque não há porta de exaustão.


A válvula solenóide 2V025 pode ser usada em um ambiente de pressão negativa?

Claro, a válvula solenóide 2V025 com múltiplas entradas de ar e uma saída é adequada para uso com a bomba de vácuo.


A válvula de controle de fluido 2V025 de 2 vias está normalmente aberta?

SIM,2V025-06-NO:Entrada:G1/8, Saída:M5

2V025-08-NO:Entrada:G1/4, Saída:M5

Distribuidor de válvula solenóide 2V025 de 2 vias  Acessórios de junta correspondentes


Hot Tags: Coletor de válvula solenóide 2V025, China, fabricante, fornecedor, fábrica
Enviar consulta
Informações de contato
Bem-vindo ao nosso site! Para dúvidas sobre nossos produtos ou lista de preços, deixe seu e-mail para nós e entraremos em contato em até 24 horas.
E-mail
cici@olkptc.com
Móvel
+86-13736765213
Endereço
Estrada Zhengtai, Zona Industrial de Xinguang, Liushi, Yueqing, Wenzhou, Zhejiang, China.
X
Utilizamos cookies para lhe oferecer uma melhor experiência de navegação, analisar o tráfego do site e personalizar o conteúdo. Ao utilizar este site, você concorda com o uso de cookies. política de Privacidade
Rejeitar Aceitar