Envia-nos um email
Produtos
Regulador de pressão tipo GR Airtac
  • Regulador de pressão tipo GR AirtacRegulador de pressão tipo GR Airtac

Regulador de pressão tipo GR Airtac

Você pode ter a certeza de comprar o regulador de pressão Airtac tipo GR de nossa fábrica e ofereceremos o melhor serviço pós-venda e entrega pontual.

O regulador de pressão Airtac tipo GR fornece controle de pressão estável e preciso para sistemas pneumáticos. Regulador pneumático OLK  GR com construção durável e fácil ajuste, garante desempenho confiável em equipamentos de automação, ferramentas pneumáticas, compressores e aplicações industriais em geral. Compatível com filtros, lubrificadores e unidades FRL.

Regulador de pressão tipo GR Airtac Características do produto:

·Manômetro quadrado integrado economiza espaço de instalação (manômetro redondo externo opcional).

·O design de travamento evita o ajuste acidental da pressão causado por força externa.

·A estrutura reguladora de pressão equilibrada garante pressão estável, pequena flutuação e bom desempenho.

·Pode ser instalado em painel ou com suporte de montagem opcional.

·Além do modelo padrão, também está disponível um tipo de baixa pressão (pressão máxima ajustável: 0,4 MPa)


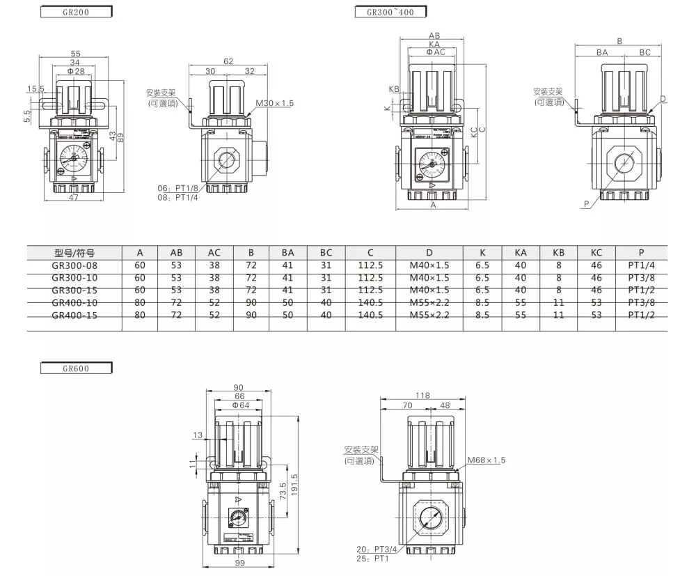
Símbolo do regulador de pressão GR:

Código de pedido

GR200

--

08

Modelo:

 

Tamanho da porta:

Regulador de pressão série GR200

 

06:PT:1/8

Regulador de pressão série GR300

 

06:PT:1/8

Regulador de pressão série GR600

 

10:PT3/8

Regulador de pressão série GR600

 

15:PT1/2

 

 

20:PT3/4

 

 

25:PT1


Modelo

GR200-06

GR200-08

GR300-08

GR300-10

GR300-15

GR400-15

GR400-15

GR300-15

GR600-25

Meio de trabalho

AR

Tamanho da porta

PT1/8

PT1/4

PT1/4

PT3/8

PT1/2

PT3/8

PT1/2

PT3/4

PT1

Faixa de pressão operacional

0,05-0,9Mpa(20-130psi)

Faixa de pressão de trabalho

1,5Mpa(215psi)

1700g

-20--70℃

Peso

160g

350g

720g

1700g


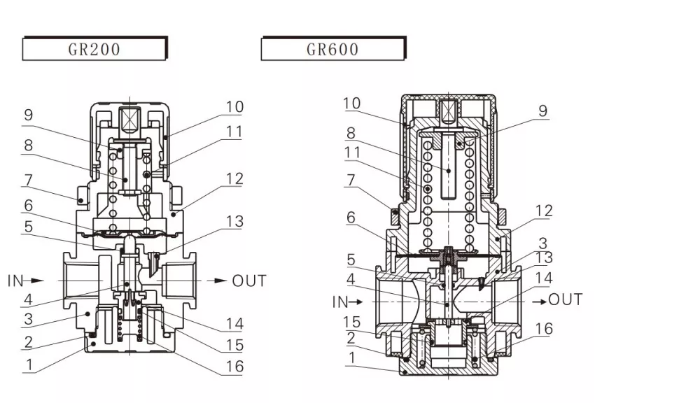
Como ajustar o regulador de pressão Airtac tipo GR

Existe uma escala de pressão na tampa de ajuste. Quando o ar for fornecido, puxe o botão para cima e gire-o no sentido horário em direção ao sinal “+” para aumentar a pressão. Após o ajuste, pressione o botão para travá-lo.


Passo 1: Segure o botão e puxe-o para cima.

Passo 2: Gire no sentido horário para aumentar a pressão.

Passo 3: Pressione o botão para baixo para travar após o ajuste.


Aviso: Preste atenção à seta que indica a direção do fluxo de ar ao conectar. A conexão de entrada invertida pode causar vazamento de ar.




Perguntas frequentes:

O que significa GR?

GR significa regulador de ar da série GR.


O que significa GFC?

GFC=GFR+GL  (Filtro Regulador + Lubrificador)


O que significa GC?

GC=GF+GR+GL (Filtro + Regulador pneumático + Lubrificador)



Hot Tags: Regulador de pressão Airtac tipo GR, China, fabricante, fornecedor, fábrica
Enviar consulta
Informações de contato
Bem-vindo ao nosso site! Para dúvidas sobre nossos produtos ou lista de preços, deixe seu e-mail para nós e entraremos em contato em até 24 horas.
E-mail
cici@olkptc.com
Móvel
+86-13736765213
Endereço
Estrada Zhengtai, Zona Industrial de Xinguang, Liushi, Yueqing, Wenzhou, Zhejiang, China.
X
Utilizamos cookies para lhe oferecer uma melhor experiência de navegação, analisar o tráfego do site e personalizar o conteúdo. Ao utilizar este site, você concorda com o uso de cookies. política de Privacidade
Rejeitar Aceitar